
閥門知識
閥門首頁 > 閥門知識 > 電磁閥 是電磁線圈通電后產生磁力吸引克服彈簧的壓力帶動閥芯動作,就一電磁線圈,結構簡單,價格便宜,只能實現開關; 電動閥 是通過...
一、上海湖泉閥門生產的 電動UPVC球閥 是球閥產品的一種,適用于純水、高低溫之藥液、食品、溫泉水及民生用熱水輸送系統公稱通徑15-1...
1、 電動煙道蝶閥廠家 在非工作時間中,閥門關閉,防止大的灰渣進入管道,保護管道生產的安全及可持續進行。本閥采用與閥體相同材料...
上海湖泉閥門有限公司 常年出售電動閘閥,電動蝶閥,電動球閥及電動截止閥,本著誠信服務于客戶的理念,以優質的服務,優惠的產品價格,...
1、 防爆電動閘閥廠家 礦用防爆電動閘閥廠家 防護等級為IP68,是少數唯一擁有礦用煤安證和防爆證的企業之一。礦用防爆電動閘閥適用于易...
上海湖閥門有限公司電動調節閥故障及維修大匯總: 電動調節閥 又名控制閥,在工業自動化過程控制領域中,通過接受調節控制單元輸出...
閥門 驅動方式的分類 按驅動機構的運動方式, 閥門電動裝置 分為直行程和角行程兩種。 按驅動結構,閥門驅動裝置分為: 閥門傳動方式...
電動截止閥 靠旋轉 手輪 ,使閥桿上升和下降帶動閥瓣作平行于介質流向的直線位移達到啟閉的目的。手輪按順時針方向旋轉,工作介質由...
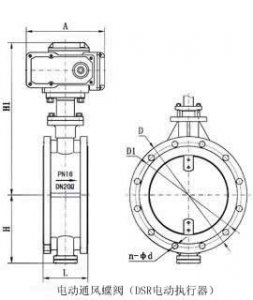
電動通風 蝶閥 應用于化工、建材、電站、玻璃等行業中的通風、環保工程的含塵冷風或熱風氣體管道中,作為氣體介質調節流量或切斷的...
上海湖泉的 電動閥門 具有截止、調節、導流、防止逆流、穩壓、分流或溢流泄壓等多種不同的功能。故其可以應用于很多領域,用途也十...